Насос 1,1кВт 220В Emaux SPH 150
Насос с префильтром Emaux SPH150 – предназначен для использования в фильтрационных системах домашних бассейнов и спа бассейнов. Корпус насоса и все его детали сделаны из нержавеющих материалов, стали и пластика. Модель отличается низким потребленим энергии и бесшумной работой, лёгкой разборкой. Корпус насоса изготовлен из АБС пластика армированного стекловолокном. Электродвигатель имеет защиту по току и от перегрева.
Насос EMAUX SPH150 - это одноступенчатый насос с горизонтальным расположением вала из нержавеющей стали марки 316 и рабочим колесом (крыльчаткой) одностороннего входа из материала PPO (SABIC). Насос оснащен фильтром грубой очистки, закрытым прозрачной крышкой.
Принцип работы насоса EMAUX SPH150:
Жидкость под воздействием рабочего колеса выходит из него с более высоким давлением и большей скоростью, чем на входе. В корпусе насоса выходная скорость преобразуется в давление перед выходом жидкости из насоса. Преобразование скоростного напора в пьезометрический частично осуществляется в диффузоре.
Для нормальной работы насоса необходим постоянный приток перекачиваемой воды. Работа насоса без воды более 10 секунд приведет к перегреву сальника (сальник охлаждается перекачиваемой водой) с последующим его разрушением. Также в результате перегрева сальника может деформироваться крышка задняя (фланца) насоса, что приведет к течи воды.
Основные технические характеристики Насоса EMAUX SPH150:
| Наименование параметра | Ед.изм. | Значение параметра |
| Производительность при напоре 8 метров | м3/ч | 22 |
| Напряжение | В | ~ 220 |
| Допустимые отклонения напряжения питания от номинального значения | % | ± 5% |
| Шумность на расстоянии 1 метр | дб | 65 |
| Потребляемая мощность | кВт | 1,1 |
| Ток | А | |
| Класс изоляции | - | Класс F |
| Класс защиты корпуса электродвигателя | - | IP 55 |
| Масса | кг | 13.64 |
| Температура окружающего воздуха | ºС | +10...+35 |
| Влажность окружающего воздуха, не более | % | 60 |
| Температура воды, не более | ºС | 0-50 |
| Давление, не более | бар | 2,5 |
| Диаметр всасывающего трубопровода. Не менее | мм | 50 |
| Диаметр напорного трубопровода. Не менее | мм | 50 |

А=652мм, B=215m, C=340mm, D=195mm, E=308мм
Напорные характеристики насоса EMAUX SPH150:

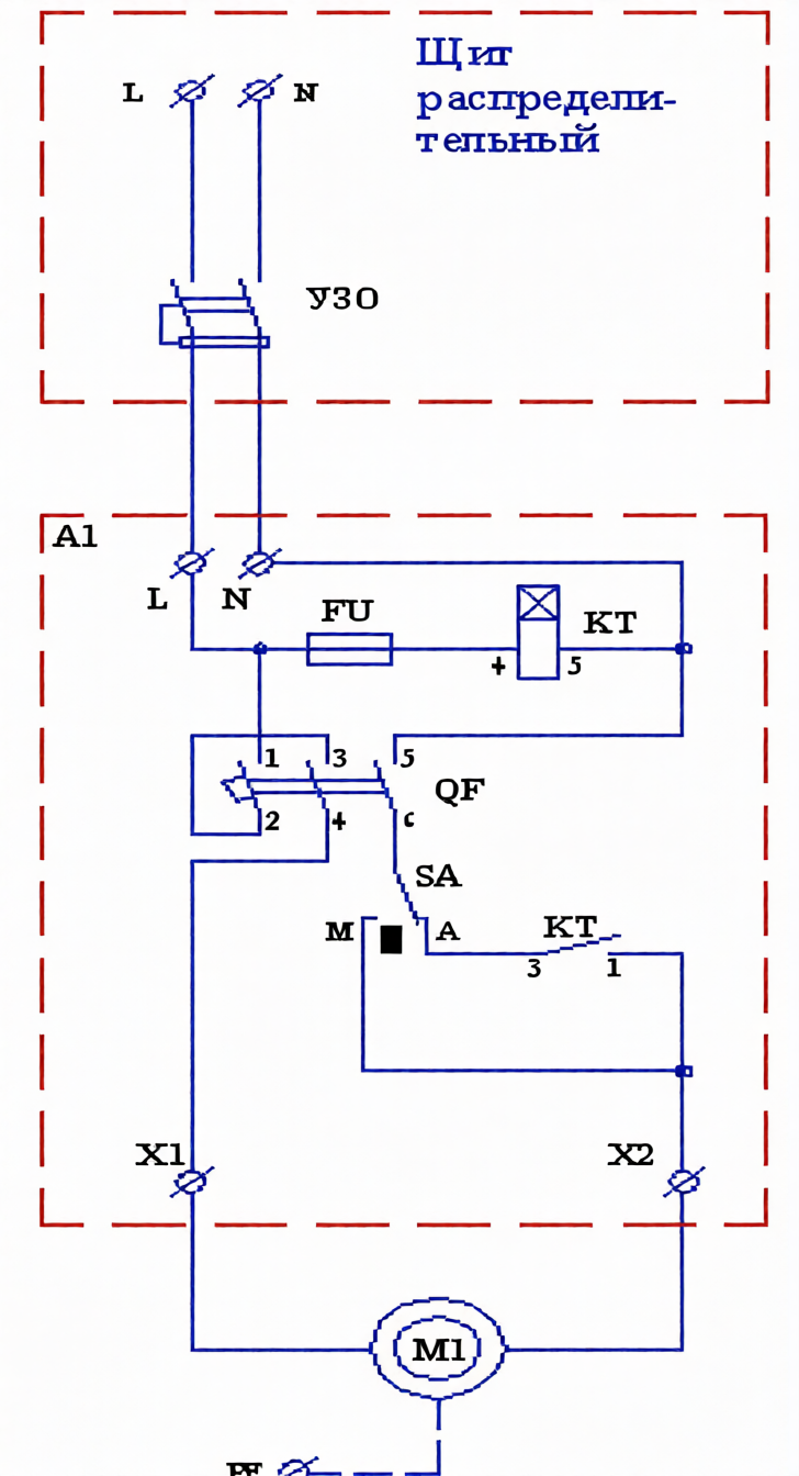
Электрическая схема подключения Emaux SPH:

| Цена указана за | шт. |
| Серия насосов | SS OPUS (Гонконг) |
| 0 | ||
| 0 | ||
| 0 | ||
| 0 | ||
| 0 |





















