Насос Kripsol KAN-760 Т1.В (7кВт 230/400В)
Насос KRIPSOL KAN-760 Т1.В - предназначен для перекачивания воды в системах водоподготовки плавательных бассейнов, пригоден для использования в морской воде. Крыльчатка изготовлена из стекловолокна вставкой из нержавеющей стали марки AISI 303, корпус из термостойкого пластика, крышка из поликарбоната, вал - нержавеющая сталь. Может выполнять функции: 1) циркуляционного насоса фильтровальной установки в контуре системы водообмена бассейна, 2) циркуляционного насоса в контуре систем аттракционов бассейна (водопад, гидромассаж, искусственное течение). Мощность насоса - 7 кВт. Напряжение - 230/400 В.
Насос Kripsol KAN-760 Т1.В – это одноступенчатый насос с горизонтальным расположением вала и электрическим приводом. Оснащен фильтром грубой очистки вместительностью 14 литров. Корпус, опорный узел, основание насоса, крыльчатка диффузор изготовлены из усиленного стекловолокном термопласта Noryl. Вал двигателя изготовлен из нержавеющей стали. Корпус префильтра - из термопластика.
Жидкость под воздействием рабочего колеса выходит из него с более высоким давлением и большей скоростью, чем на входе. В корпусе насоса выходная скорость преобразуется в давление перед выходом жидкости из насоса. Преобразование скоростного напора в пьезометрический частично осуществляется в диффузоре.
Для нормальной работы насоса необходим постоянный приток перекачиваемой воды. Работа насоса без воды более 10 секунд приведет к перегреву сальника (сальник охлаждается перекачиваемой водой) с последующим его разрушением. Также в результате перегрева сальника может деформироваться крышка задняя (фланец) насоса, что приведет к течи воды.
Основные технические характеристики Насоса Kripsol KAN-760 Т1.В (7кВт 230/400В)
| Наименование параметра | Ед.изм. | Значение параметра |
| Напряжение | В | 230/400 |
| Ток | А | 20,9/12,1 |
| Производительности (при напоре 12 м) | м3/ч | 102 |
| Потребляемая мощность | кВт | 7 |
| Обороты в минуту | 2850 | |
| Класс защиты корпуса электродвигателя | - | IP 55 |
| Класс изоляции | - | F |
| Масса | кг | 52 |
| Температура окружающего воздуха, максимальная | ºС | +40 |
| Влажность окружающего воздуха, не более | % | 60 |
| Температура воды, не более | ºС | 50 |
| Максимальное давление | bar | 3 |
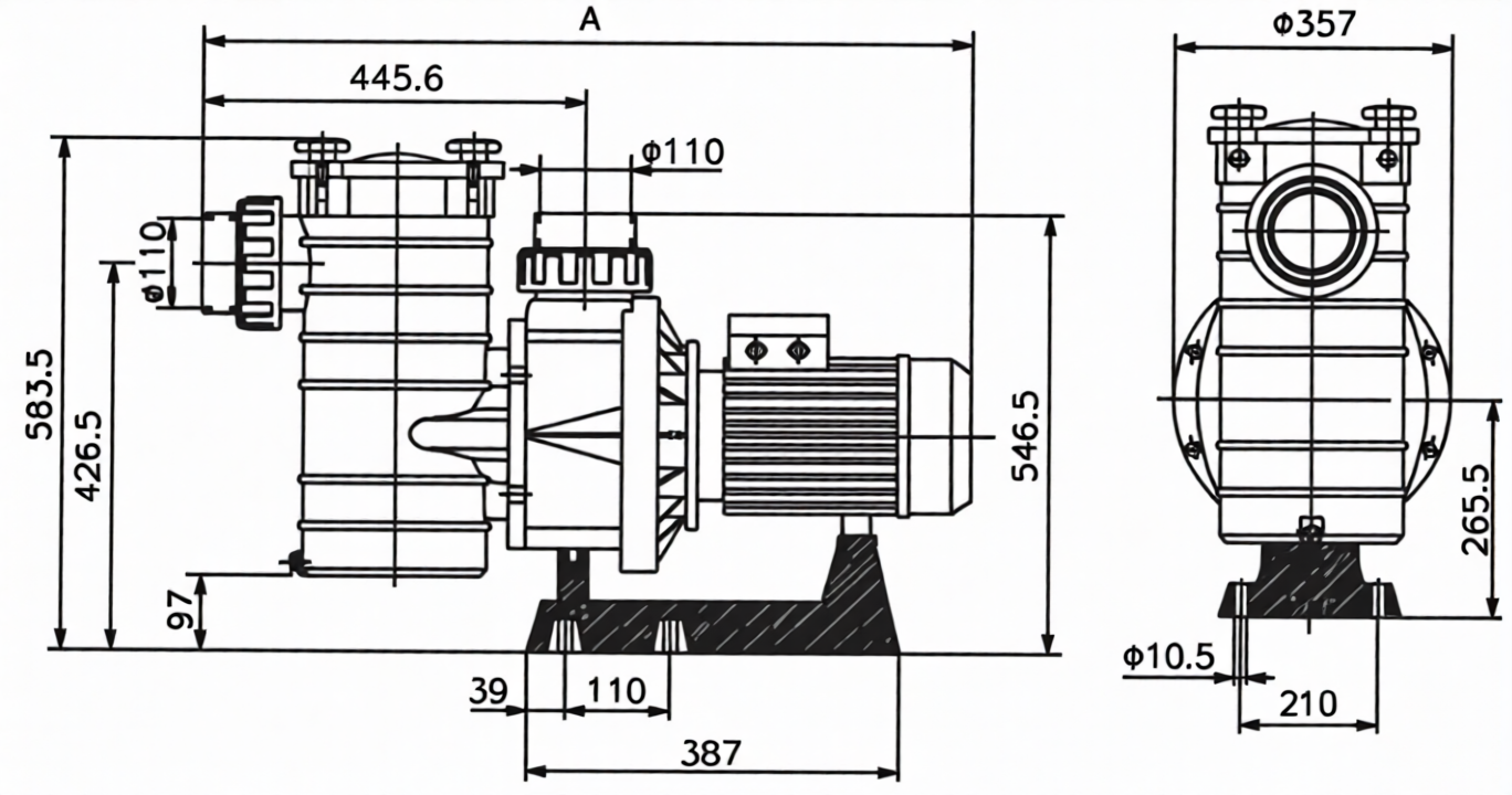
| Диаметр входа/выхода трубопровода | мм | 110/110 |
| Резьбовое соединение вход/выход, размер | дюйм | 4/4 |


Напорные характеристики насоса Kripsol KAN-760 Т1.В (7кВт 230/400В)


| Серия насосов | Kripsol KAN |
| Мощность | 7 кВт |
| Вес | 52 кг |
| Производительность | 102 м³ |
| Производитель | Kripsol |
| 0 | ||
| 0 | ||
| 0 | ||
| 0 | ||
| 0 |


















