Насос нерж.ст. (2,2кВт 220B 25 м3/ч h 20м в.ст.) Mayer Schwimmbad LX CA65-40-125/2.2
Высокопроизводительные насосы без предварительного фильтра серии LX CA от компании Mayer Schwimmbad предназначены для использования в системах джакузи и коммерческих SPA ваннах, а так же общественных бассейнах больших объемов. Изготавливаются из нержавеющей стали. Оснащаются встроенной автоматической системой отключения при перегреве. Отличаются низкими эксплуатационными расходами и надежной работой в течении длительного времени. Покупка насосов Mayer Schwimmbad LX CA станет выгодным решением для рециркуляции и напорной подачи воды.
Основные технические характеристики Насоса Mayer Schwimmbad LX CA65-40-125/2.2
| Мощность | 2.2 кВт |
| Напряжение | 220 В |
| Производительность | 25 куб.м/ч |
| Напор | 20м |
| Входное отверстие | DN 65 |
| Выходное отверстие | DN 40 |
| Макс. температура воды на входе | 104 °C |
| Макс. рабочее давление | 10 бар |
| Материал корпуса | Нержавеющая сталь |
| Класс защиты | IP55 |
| Класс изоляции | F |
| Перекачка морской(солёной) воды | Да |
| Регулировка оборотов | Нет |
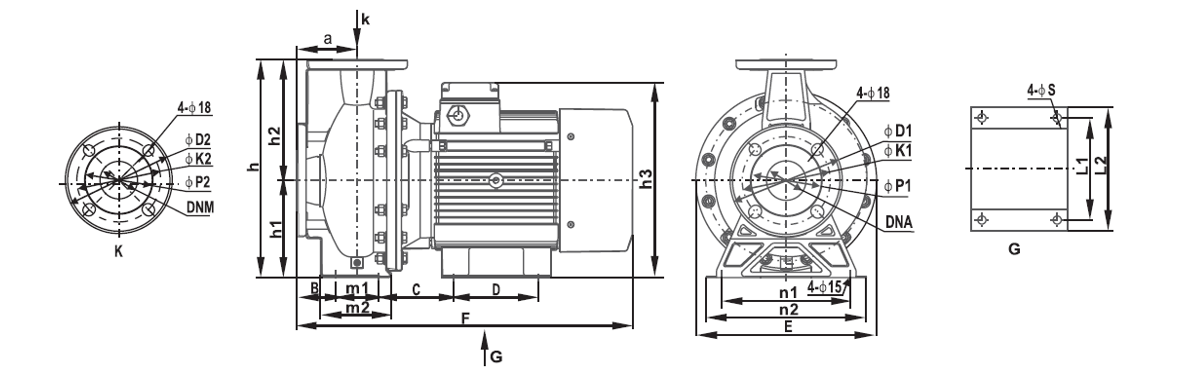
Схема установки


| Цена указана за | шт. |
| 0 | ||
| 0 | ||
| 0 | ||
| 0 | ||
| 0 |





















