Парогенератор Harvia Pro HGP300XW WiFi
Harvia HGP300XW WiFi создает оазис приятных ощущений и отдыха. Влажный пар обволакивает вас, как облако, заставляя забыть о времени и суете.
Парогенератор HGP300XW WiFi компании Harvia разработан специально для использования в спа-салонах, где требуется высокая производительность. Модель спроектирована так, чтобы работать надежно и без сбоев, что гарантирует максимально приятные ощущения от посещения паровой бани.
Harvia HGP300XW WiFi очень легко устанавливается. Управление парогенератором Harvia HGP300XW WiFi осуществляется с помощью стильной панели управления с сенсорным экраном с возможностью удаленной работы по WiFi. Функции управления: парогенератор (температура, время работы, задержка включения), устройство подачи ароматизатора, освещение и вентилятор.
К основному парогенератору можно подключить до 3 дополнительных парогенераторов, управляемых единой панелью управления.
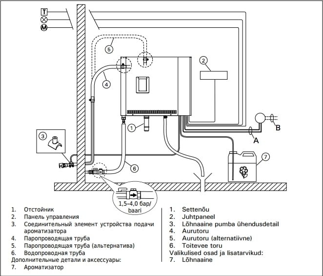
Парогенератор HGP300XW WiFi имеет встроенный автоматический дренажный клапан. Автоматический дренажный клапан служит для промывки парогенератора, которая производится через установленные интервалы, а также при выключении парогенератора. Данная процедура позволяет удалять отложившийся в паровом баке известковый налет. Чтобы продлить срок эксплуатации парогенератора, необходимо регулярно и полностью удалять известковый налет.
Парогенератор HGP300XW WiFi имеет встроенное устройство подачи ароматизатора. Устройство для подачи ароматизатора можно настроить на автоматическое смешивание жидкого ароматизатора с паром. Устройство может использоваться с емкостью для ароматизатора маленького, так и большого размера.






| Цена указана за | Комплект |
| Вес печи | 24 кг |
| Объем хамам м3 | 34 — 56 |
| Мощность парогенератора | 30 кВт |
| Используется как | Ведущий, Для коммерческих объектов |
| Габариты | 56×32×49 (см) |
| Производитель | Harvia (Финляндия) |
| 0 | ||
| 0 | ||
| 0 | ||
| 0 | ||
| 0 |
























