Насос (1,1кВт 220B 15,6 м3/ч h 8м в.ст.) Mayer Schwimmbad LX EA450
Насос для гидромассажной ванны LX EA450 – предназначен для использования в небольшом бассейне и системах джакузии или спа. Корпус насоса и диффузора с крыльчаткой изготовлены из термостойкого пластика, установлен надёжный металлокерамический торцевой уплотнитель вала, болты и вал двигателя - из нержавеющей стали марки AISI 304.
1. Подходит для гидромассажной или спа-системы(2,8-12 форсунок для насоса ЕА450), а также для циркуляции или фильтра системы бассейна.
2. EA450 используется для подачи и циркуляции морской воды для воды из пруда с рыбой, которая является предпочтительным насосом для морской воды.
3. Слабоагрессивная жидкость (слабокислотная и слабокислая) без твердых гранул. температура жидкости: +5-60℃
4. Подходит для оборудования циркуляционной воды, используемого для охлаждения цеха предприятия.
Принцип работы насоса Mayer - жидкость под воздействием центробежного вращения крыльчатки выходит из него с более высоким давлением и большей скоростью, чем на входе. В корпусе насоса выходная скорость преобразуется в давление перед выходом жидкости из насоса.
Внимание! Работа насоса без воды более 10 секунд перегревает сальник (сальник охлаждается перекачиваемой водой) с последующим его разрушением. Также в результате перегрева сальника может деформироваться крышка задняя (фланца) насоса, что приведёт к течи воды.
Основные технические характеристики Насоса Mayer Schwimmbad LX EA450
| Наименование параметра | Ед.изм. | Значение параметра |
| Напряжение питания | В | ~ 220 |
| Максимальная производительность при напоре 16 метров | м3 | 21,6 |
| Рабочие обороты | об/мин | 2900 |
| Потребляемая мощность, выходная мощность | кВт | 1,1 / |
| Ток потребления | ампер | 5,8 |
| Класс изоляции | - | Класс F |
| Класс защиты корпуса электродвигателя | - | IP 55 |
| Температура окружающего воздуха | ºС | +10...+50 |
| Влажность окружающего воздуха, не более | % | 95 |
| Температура воды, не более | ºС | 50 |
| Давление рабочее, не более | бар | 3,0 |
| Диаметр всасывающего трубопровода. Не менее | мм | 50 |
| Диаметр напорного трубопровода. Не менее | мм | 50 |
| Масса насоса | кг | 10,5 |
| Размер упаковки | мм | 420*180*255 |
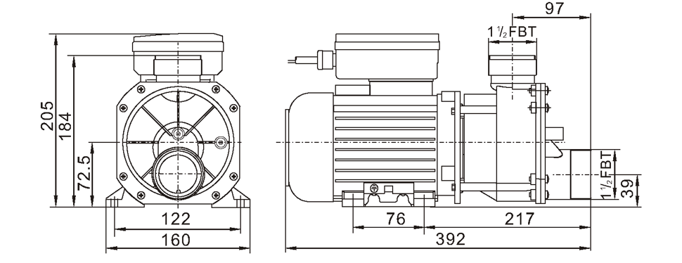
Схема установки




| Цена указана за | шт. |
| 0 | ||
| 0 | ||
| 0 | ||
| 0 | ||
| 0 |























