Насос Aquatechnix Aqua Maxi 16 (0,97кВт 220В)
Насос с префильтром Aqua Maxi 16 - предназначен для перекачивания воды в системах водоподготовки плавательных бассейнов. Оснащен фильтром грубой очистки. Может выполнять функции: 1) циркуляционного насоса фильтровальной установки в контуре системы водообмена бассейна, 2) циркуляционного насоса в контуре систем аттракционов бассейна (водопад, гидромассаж, искусственное течение). Для нормальной работы насоса необходим постоянный приток перекачиваемой воды.
Насос с префильтром Aqua Maxi 16 предназначен для бассейнов установленных на поверхности. Установка насоса осуществляется в горизонтальном положении как можно ближе к уровню воды (но не выше 0,3 м уровня воды).
Основные технические характеристики Насоса Aquatechnix Aqua Maxi 16 (0,97кВт 220В)
| Технические данные | Единицы измерения | Aqua Maxi 16 |
| Производительность | м3/ч | 15,6 |
| Напряжение | В | 220 |
| Потребляемая мощность | кВт | 0,97 |
| Выходная мощность | кВт | 0,65 |
| Номинальный ток | A | 4,70 |
| Степень защиты корпуса | IP | X4 |
| Скорость вращения двигателя | об/мин | 2840 |
| Максимальный уровень шума, не более | дБ (А) | 70 |
| Максимальная температура воды | °C | 60 |
| Максимальное давление | бар | 2,5 |
| Диаметр входного отверстия (клеевое соединение) | мм | 63 |
| Диаметр выходного отверстия (клеевое соединение) | мм | 50 |
| Вес | кг | 9,80 |
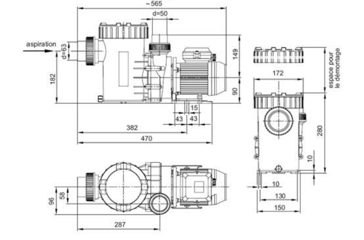
Габаритные и присоединительные размеры Насоса Aqua Maxi 16 Aquatechnix

Напорные характеристики Насоса Aqua Maxi 16 Aquatechnix

| Развиваемый напор | м | 3 | 4 | 5 | 6 | 7 | 8 | 9 | 10 | 11 |
| Производительность (расход) | куб.м/ч | 21,5 | 21,0 | 20,2 | 19,0 | 17,5 | 15,5 | 13,1 | 10,5 | 7,1 |
| Серия насосов | Aqua |
| Мощность | 0.97 кВт |
| Вес | 9.8 кг |
| Производительность | 15.6 м³ |
| Производитель | Aquatechnix |
| 0 | ||
| 0 | ||
| 0 | ||
| 0 | ||
| 0 |


















