Список запчастей для Насоса Aquatechnix Aqua Plus 4 (0,35кВт 220В)

Поз Наименование
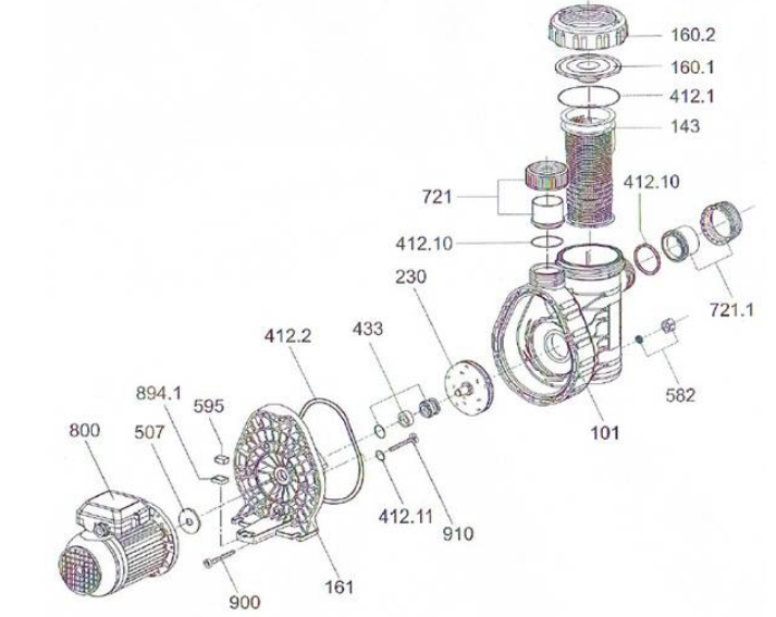
101 Корпус Насоса Aqua Plus 4 Aquatechnix, (2901.310.101)
143 Фильтр грубой очистки насоса Aqua Plus 4 Aquatechnix (2901.314.300)
160.1 Крышка префильтра Насоса Aqua Plus 4 Aquatechnix прозрачная, (2901.316.010)
160.2 Муфта резьбовая уплотнения крышки префильтра насоса Aqua Plus 4 Aquatechnix (2901.316.020)
161 Крышка задняя насоса Aqua Plus 4 Aquatechnix (2901.316.100)
230 Крыльчатка насоса Aqua Plus 4 Aquatechnix (2921.623.001)
412.1 Прокладка-кольцо крышки префильтра насоса Aqua Plus 4 Aquatechnix (2921.641.210)
412.2 Прокладка-кольцо крышки задней насоса Aqua Plus 4 Aquatechnix (2921.641.223)
412.10 Прокладка-кольцо (2 шт.) муфты д.50 мм Насоса Aqua Plus 4 Aquatechnix,(2920.141.252)
412.11 Прокладка-кольцо(6 шт.) винта крепления электродвигателя насоса к крышке задней Насоса Aqua Plus 4 Aquatechnix, (2920.141.261)
433 Сальник (компл.) насоса Aqua Plus 4 Aquatechnix (2920.143.310)
507 Шайба вала электродвигателя Насоса Aqua Plus 4 Aquatechnix, (2920.850.700)
582 Заглушка сливная префильтра Насоса Aqua Plus 4 Aquatechnix, (2921.658.200)
595 Опора резиновая электродвигателя Насоса Aqua Plus 4 Aquatechnix, (2920.359.501)
721* Муфта (компл.) д. 50 мм Насоса Aqua Plus 4 Aquatechnix, (2921.672.111+2921.672.105+2921.672.106)
721.1* Муфта (компл.) д. 50 мм Насоса Aqua Plus 4 Aquatechnix, (2921.672.111+2921.672.105+2921.672.106)
800 Двигатель Насоса Aqua Plus 4 Aquatechnix (с кабелем и штекером), (2980.018.000)
894.1 Адаптер подставки (3 шт.) Насоса Aqua Plus 4 Aquatechnix, (2920.389.410)
900 Винт крепления (8 шт.) корпуса насоса к крышке задней Насоса Aqua Plus 4 Aquatechnix, (2921.690.002)
910 Винт крепления (6 шт.) электродвигателя насоса к крышке задней Насоса Aqua Plus 4 Aquatechnix, (2921.691.000)
Пользуясь сайтом, вы соглашаетесь с использованием cookies, сервиса аналитики Яндекс Метрика и политикой конфиденциальности.