Насос нерж.ст. (1,5кВт 220B 5 м3/ч h 20м в.ст.) Mayer Schwimmbad LX CA65-40-125/1.5
Одноступенчатый насос из нержавеющей стали LX CA65-40-125/1.5 – предназначен для использования в системах домашних и промышленных бассейнов.
ОСОБЕННОСТИ насоса LX CA:
- Прочная конструкция из нержавеющего металла сплава AISI 304 - крыльчатка и корпус/ вал
- Торцевой уплотнитель Carbon /Ceramic/Viton, диаметром Ø25
- Питьевая вода, минеральная и чистая вода, негорючие, невзрывоопасные жидкости, не содержащие клетчатки.
- Твердые частицы до Ø4 мм
- Промышленные и химические процессы
- Морская вода
- Пищевая промышленность (молоко, фруктовые соки, соленая вода)
- Легкое масло
- Чиллер и циркуляционные системы
Принцип работы насоса CA- жидкость под воздействием центробежного вращения крыльчатки выходит из него с более высоким давлением и большей скоростью, чем на входе. В корпусе насоса выходная скорость преобразуется в давление перед выходом жидкости из насоса.
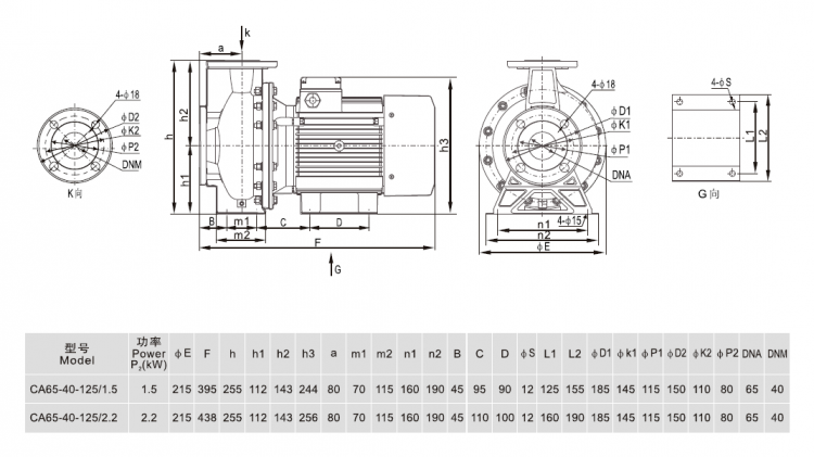
Основные технические характеристики Насоса Mayer Schwimmbad LX CA65-40-125/1.5
| Наименование параметра | Ед.изм. | Значение параметра |
| Напряжение питания | В | ~ 220-240 / 50гц |
| Производительность максимальная при 20 метров | м3 | 5 |
| Потребляемая мощность, выходная мощность | кВт | 1,5 |
| Класс защиты корпуса электродвигателя | - | IP 55 |
| Подсоединение всасывающего трубопровода | дюйм | 140 |
| Подсоединение напорного трубопровода | дюйм | 110 |
Схема установки


| Цена указана за | шт. |
| 0 | ||
| 0 | ||
| 0 | ||
| 0 | ||
| 0 |

























