Насос Speck Badu 21-40/54 G (0,75кВт 220В)
Насос без префильтра Speck 21-40/54 G - предназначен для гидромассажных ванн и массажных станций, аттракционов расходом до 30 м³/ч., может быть установлен в вертикальном положении насосом вниз.
Насос Speck BADU 21-40/54 G – это одноступенчатый насос с горизонтальным расположением вала и электрическим приводом, пластиковая втулка между двигателем и крыльчаткой образует гальваническую развязку, не позволяющую получить электротравму в случае возникновения неисправности электрической части насоса. Корпус насоса и крыльчатка изготовлены из полипропилена (PP ТВ 40 и PPE GF 30), усиленного стекловолокном, сальники - графит/керамика/NBR. Для нормальной работы насоса необходим постоянный приток перекачиваемой воды.
Основные технические характеристики Насоса Speck Badu 21-40/54 G (0,75кВт 220В)
| Наименование параметра | Ед.изм. | Значение параметра |
| Производительность при напоре 10 метров | м3/ч | 17 |
| Напряжение | В | ~ 230 |
| Допустимые отклонения напряжения питания от номинального значения | % | ± 4% |
| Мощность входная/выходная | кВт | 1.1/0.75 |
| Ток | А | 5 |
| Скорость вращения двигателя | об/мин | 2850 |
| Класс изоляции | - | F |
| Класс защиты корпуса электродвигателя | - | IP 55 |
| Масса | кг | 9.5 |
| Температура окружающего воздуха | ºС | +10...+35 |
| Влажность окружающего воздуха, не более | % | 60 |
| Температура воды, не более | ºС | 60 |
| Давление, не более | бар | 2,5 |
| Диаметр всасывающего трубопровода. Не менее | мм | 63 |
| Внутренняя резьба всасывающего трубопровода | дюйм | 2/2 |
| Диаметр напорного трубопровода. Не менее | мм | 63 |
| Внутренняя резьба напорного трубопровода | дюйм | 2/2 |
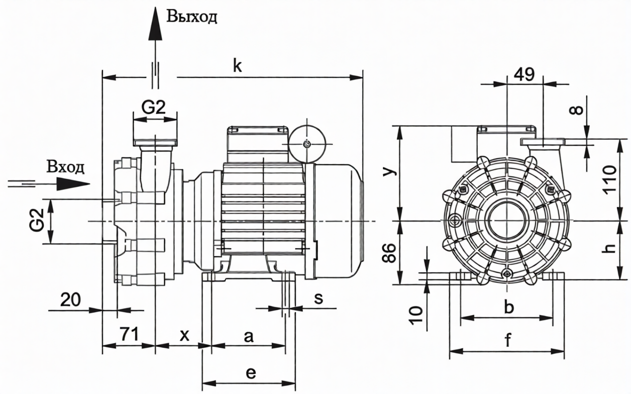
Габаритные и присоединительные размеры Speck BADU 21-40/54 G:

| Тип | a | b | e | f | h | k | s | x | y |
| 21-40/54G | 90 | 112 | 115 | 138 | 71 | 313 | 7 | 84 | 132 |
Напорные характеристики Speck BADU 21-40/54G:

| Серия насосов | Badu |
| Мощность | 0.75 кВт |
| Вес | 9.5 кг |
| Производительность | 17 м³ |
| Производитель | Speck |
| 0 | ||
| 0 | ||
| 0 | ||
| 0 | ||
| 0 |


















